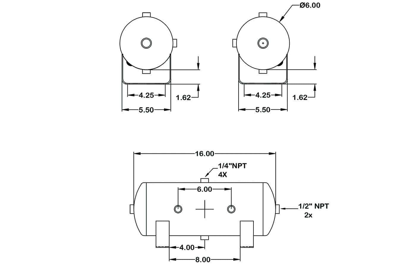
Este tanque de 2 galones tiene cuatro puertos de 1/4 de pulgada y dos puertos de 1/2 de pulgada. Hay 2 en el lado, 1 en cada extremo, 1 en la parte superior y 1 en la parte inferior. Con una capacidad de presión de trabajo de 150 PSI, estos tanques son extremadamente duraderos. Fabricados en USA con el más alto nivel de control de calidad. El tanque mide 17 pulgadas de largo, tiene un diámetro de 6 pulgadas y mide 7 pulgadas de alto. El tanque está acabado con recubrimiento en polvo negro semibrillante. Este producto contiene sustancias químicas conocidas en el Estado de California por causar cáncer, defectos de nacimiento u otros daños reproductivos. Los tanques están construidos de acuerdo con los códigos SAE J10 y FMVSS 121
Tanque de aire de 2 galones 6 puertos hechos en USA por
Sin existencias
Envío Gratis a Todo México
Garantía de 12 meses contra defectos de fábrica (no aplica para productos en remate)


















